Введение
Тепловизионные камеры среднего ИК-диапазона (MWIR) становятся новым поколением решений для теплового обнаружения. По сравнению с тепловизорами дальнего ИК-диапазона (LWIR), камеры MWIR обеспечивают превосходное качество изображения и лучшие функции обнаружения на дальнем расстоянии. Эти преимущества обусловлены не только тем, что тепловые контрасты в диапазоне MWIR по закону Планка существенно выше, чем в диапазоне LWIR, но и тем, что камеры MWIR часто оснащены охлаждаемыми квантовыми датчиками, обеспечивающими высокую чувствительность к инфракрасному излучению. Это также вызывает рост спроса на объективы, работающие в диапазоне MWIR 3–5 микрон.
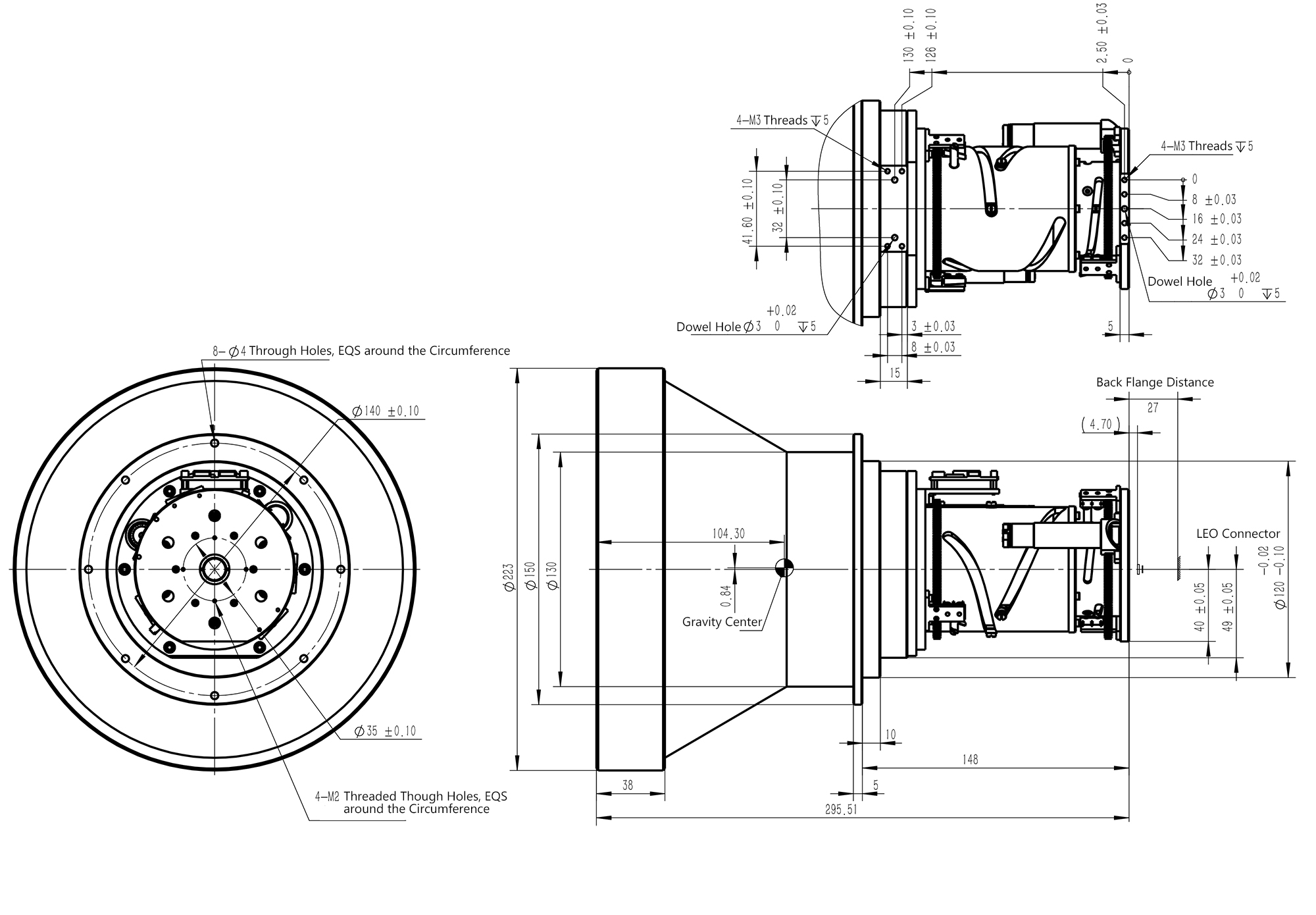
Благодаря непрерывной работе нашей инженерной команды, Shalom EO добилась технического прорыва в разработке ультралегких объективов для тепловизионных камер MWIR с непрерывным зумом 90–1100 мм f/5.5. Диаметр объектива составляет 223 мм, длина — 295,51 мм, вес — всего 4,2 кг, что обеспечивает беспрецедентный баланс между дальностью обнаружения, большой апертурой и минимальным весом.
Рекордный объектив f/5.5 для дальнего обнаружения на 35 км весом 4,2 кг
Часто тепловизоры, ориентированные на дальнее обнаружение, страдают от избыточного веса. Это связано с тем, что в оптических приборах большой объем электромагнитного излучения должен достигать датчика. Поэтому длинные фокусные расстояния необходимо компенсировать большими апертурами линз, чтобы обеспечить достаточную экспозицию излучения, из-за чего объективы для дальнего обнаружения обычно имеют большой диаметр, что приводит к значительной массе и габаритам. Проблема менее выражена у MWIR-объективов по сравнению с LWIR, поскольку чувствительные охлаждаемые детекторы, используемые с MWIR, позволяют использовать более высокие значения светосилы (f-числа). Однако большинство объективов с непрерывным зумом MWIR для дальнего обнаружения с фокусными расстояниями в диапазоне около 100–1000 мм, позиционируемые как легкие, обычно весят от 5 до 8 кг. В таких применениях, как БПЛА и оборонное наблюдение, даже незначительное увеличение массы может иметь серьезные негативные последствия, например, повысить энергопотребление или снизить скорость перемещения.
Помимо проблемы с весом, с увеличением технологических требований к получению четких изображений на экстремальных расстояниях и в сложных визуальных условиях, рынок также ставит перед поставщиками объективов для дальнего инфракрасного обнаружения новые вызовы. Основная цель объективов для дальнего инфракрасного обнаружения — это увеличение расстояния обнаружения, обеспечивая четкое и детализированное изображение объектов или сцен на дальнем расстоянии, что делает достижение больших дальностей обнаружения крайне важным для таких приложений, как наблюдение, разведка и мониторинг. Другие требования к объективам для дальнего инфракрасного обнаружения включают гибкий механизм зумирования, дифракционно-ограниченную МТФ, надежную оптическую производительность и т. д.
Уникальный оптико-механический дизайн наборов объективов и конфигурации непрерывного зума позволили нам разработать ультралегкий объектив с длинным фокусным расстоянием и непрерывным зумом MWIR. Этот объектив MWIR с расширенным диапазоном фокусных расстояний 90-1100 мм и встроенной моторизованной механикой/электроникой фокуса весит всего 4,2 кг, что свидетельствует о техническом прорыве в наших исследованиях и разработках легких, компактных объективов для тепловизоров с дальним диапазоном обнаружения.
.jpg)
Рисунок 1. Ультра-легкие объективы Shalom EO для тепловизоров с непрерывным зумом 90-1100 мм f/5.5
Оптимизировано для C-UAV или Дронов
Использование Беспилотных Авиаприборов (или Дронов) становится распространенным подходом в области наблюдения, панорамной съемки и на полях сражений. Отсутствие пилотов-человека и автоматизированные/удаленные механизмы управления предоставляют больше удобства и скрытности современным армиям. Однако злоупотребление дронами с враждебными намерениями также стимулировало разработку Counter-Unmanned Aerial Vehicles (C-UAV), чтобы уменьшить угрозы от незаконного вторжения и нарушения границ. C-UAV или C-UAS — это оборудование, предназначенное для обнаружения, отслеживания, прерывания или даже разрушения дронов, чтобы предотвратить несанкционированный доступ UAV в определенные зоны. Набор объективов тепловизоров с дальними расстояниями обнаружения, компактными размерами, легким весом и гибким механизмом зума необходим как для UAV, так и для C-UAV, чтобы либо операторы-человеки могли распознавать цели, либо искусственный интеллект мог интерпретировать ситуации.
Особенности тепловизоров Shalom EO с фокусными расстояниями от 90 до 1100 мм f/5.5 для охлаждаемых детекторов:
1. Потрясающий диапазон обнаружения до 35 км:
Объективы дальнего инфракрасного обнаружения обеспечивают потрясающий диапазон обнаружения до 35 км, позволяя мониторить обширные территории и обеспечивая обнаружение на широких площадях. Объективы отличны для различных миссий, требующих дальнего диапазона обнаружения и высокого теплового контраста, таких как дроны, наблюдение, Counter-Unmanned Aerial Vehicle (C-UAV/C-UAS) и т. д., достигая оптимальных результатов в любых сценариях с объективами, которые адаптируются к вашим требованиям, обеспечивая, чтобы вы не упустили важные детали. Наши модули объективов дальнего инфракрасного обнаружения обеспечивают четкое видение, которое проникает в атмосферу, независимо от погодных условий. Как показано на рисунках 1 и 2 ниже, наши объективы с длинным фокусным расстоянием отлично показывают свои возможности в идентификации целей и получении детализированных изображений.

Рисунок 1. Снимок, сделанный с помощью тепловизоров Shalom EO 90-1100 мм f/5.5 Continuous Zoom MWIR Thermal Camera Lenses для охлаждаемых детекторов на расстоянии обнаружения 15 км

Рисунок 2. Снимок, сделанный с помощью тепловизоров Shalom EO 90-1100 мм f/5.5 Continuous Zoom MWIR Thermal Camera Lenses для охлаждаемых детекторов на расстоянии обнаружения 35 км
2. Легкий и компактный дизайн:
Благодаря неустанным усилиям нашей инженерной команды, Shalom EO добилась технического прорыва в разработке ультралегкого объектив с фокусным расстоянием 90-1100 мм f/5.5 с непрерывным зумом для тепловизоров MWIR. Объективы с диаметром 223 мм и длиной 295,51 мм весом всего 4,2 кг обеспечивают беспрецедентный компромисс между длинными фокусными расстояниями и проблемами веса. Этот объектив MWIR с встроенной моторизованной механикой фокуса и электроникой показывает технический прогресс в наших исследованиях и разработке легких, компактных, высокоэффективных тепловизоров с дальним диапазоном обнаружения. Плотная оптико-механическая интеграция оптимизирована на максимально возможный предел, который позволяют габариты и масса, при этом оптические функциональные возможности максимально раскрыты. Высокоточные механические элементы объективов изготовлены из прочных материалов и проходят строгие тесты для обеспечения их устойчивости к жестким погодным условиям и сложным условиям эксплуатации.

Рисунок 3. Наше инновационное проектирование
3. Гибкий механизм зума:
В длиннофокусный ИК-объектив встроен моторизованный механизм непрерывного зума, который позволяет гибко регулировать фокусные расстояния. Фокусировка поддерживается на протяжении всего диапазона зума. Быстрое изменение поля зрения (FOV) может быть достигнуто от широкоугольных обзоров до экстремальных увеличений. Фиксированная диафрагма f/5.5 на всем диапазоне зума улучшает характеристики в условиях низкой освещенности, что делает его отличным для дневного и ночного наблюдения.
4. Диффракционно ограниченная MTF:
Рисунок 5 описывает MTF кривые для объектива с длинным диапазоном обнаружения, как показано на рисунке, как для сагиттальной, так и для тангенциальной MTF, они близки к диффракционному пределу. (Вы можете скачать PDF-версию в верхней части страницы, чтобы ознакомиться с полным вариантом MTF кривой.) Диффракционно ограниченный дизайн позволяет достичь наилучшей функциональности.

Рисунок 5. Кривая MTF
5. Надежная оптическая производительность
Оптические компоненты, составляющие объектив, изготавливаются из высококачественных оптических материалов, а компоненты объектива производятся с высокой точностью, чтобы достичь непревзойденных оптических характеристик. Для увеличения оптической пропускной способности применяются AR покрытия, а для защиты на передней части объектива используется DLC покрытие.
Заключение:
Hangzhou Shalom EO зарекомендовала себя как передовой производитель и мировой поставщик инфракрасных тепловизионных объективов, благодаря многолетним усилиям. Наши линии производства объективов используют передовые технологии и проходят строгую проверку, включая обработку с ЧПУ и полировку с использованием алмазной точилки с одной точкой (SPDT). Помимо стандартных объективов с типовыми характеристиками, мы также готовы принимать вызовы по разработке новых конструкций объективов и сотрудничеству с клиентами в области технических инноваций.
Узнайте больше о 90-1100mm f/5.5 Непрерывные зум-объективы для тепловизоров MWIR
