click me!

Зум-объективы от 25 до 100 мм f/1,2 для тепловизионной камеры LWIR

Code: 305-008

Inquire Us  

Optical Property

Focal Length 25mm to 100mm Calculated Average Transmission >81%
F/# 1.2 Operating Temperature Range -40℃ to +60℃
Operating Wavelength Range 8μm to 12μm Minimum Focus Range 0.5m/8m
Coating on Front Surface Exposing to Air DLC Distortion (Diagonal FOV) <3.5% to 1%

 

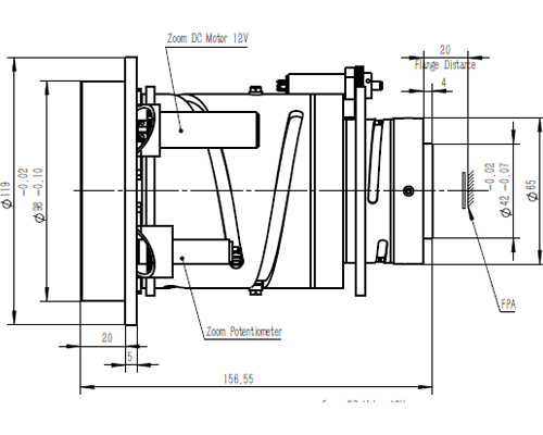
Mechanical Property

Focusing Mechanism Motorized Installation Way Flange
Weight   Flange Focal Distance 20mm
Materials of Lens Housing Anodized aluminium Connector Refer to drawing
Max. Dimensions  (Diameter x Length) ɸ119x156.55 Sealing Grade IP67

 

Electronic Property

Zoom, focus mechanism DC gear motor control Zoom, focus position feedback Potentiometer
Zoom, focus driving voltage 12V DC

 

FOV(H X V) 640x480 1024x768
12μm 17.5° to 4.4°  
17μm 24.6° to 6.2°  
25μm  
25~100 мм
L-Zoom-25/F1.2-100/F1.2непрерывный
1.2
Моторизованный
Запросить
7-8 недель