click me!

Моторизованные объективы 12 мм f/1,0 для тепловидения LWIR

Code: 303-008

Inquire Us  

Specifications:

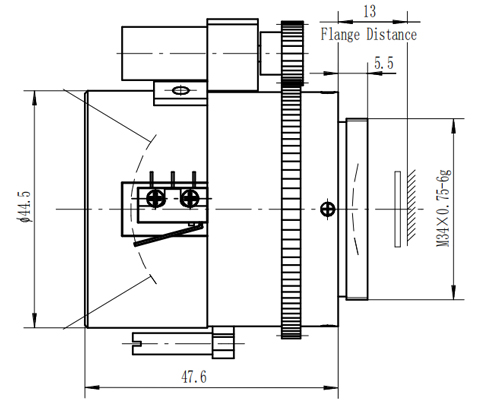
Focal Length 12mm F Number(#) 1.0
FOV(HxV)

50°x37.7°

30.2°x22.7°

Detector

640x480-17μm

384x288-17μm

Wavelength Range 8~12 micro Focus Range 0.25m to infinity
Sealing IP54 Coating DLC
Operation Temperature Range -40℃~60℃
12.0мм
L12.0F1.0-мот
1.0
Моторизованный
Запросить
5-6 недель