click me!
  • Атермальные линзы 13 мм f/1,0 для LWIR, V2
  • Атермальные линзы 13 мм f/1,0 для LWIR, V2

Атермальные линзы 13 мм f/1,0 для LWIR, V2

Code: 301-009

Inquire Us  

Specifications:

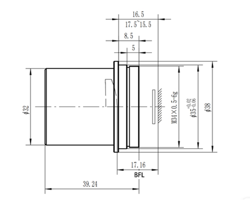
EFL 13mm F Number(#) 1.0
Dimension Length:39.24, Diameter:Ф32 Material of Lens Housing Aluminum, Black anodized
Operating Wavelength Range 8μm to 12μm Detector 640x480-17μm
FOV 45.4°x35.9° External Coating DLC
BFL 17.16 Working Temperature -40°~60°(Need not to refocus)
Mount M34x0.5-6g Weight 64g
13мм
Л13Ф1.0
1.0
Атермальный
Запросить
5-6 недель