click me!

Объективы MWIR с непрерывным зумом и диафрагмой f/2,0 от 60 до 300 мм для охлаждаемого детектора

Code: 313-003

Inquire Us  

Optical Parameters:

Focal Length 60mm to 300mm Calculated Average Transmission >78%
F/# 2.0 Operating Temperature Range -40℃ to +60℃
Operating Wavelength Range 3.7μm to 4.8μm Minimum Focus Range 2m/40m
Coating on Front Surface Exposing to Air AR Distortion(Diagonal FOV) <2%

 

Mechanical Property

Focusing Mechanism Motorized Installation Way Flange
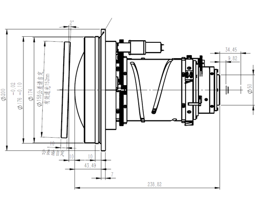
Weight 1600g Back Working Distance (B.W.D) 9.82mm
Materials of Lens Housing Anodized aluminium Connector Refer to drawing
Max. Dimensions (Diameter x Length) ɸ200x244.43 Sealing Grade IP67

 

Electronic Property

Zoom, Focus mechanism DC gear motor control Zoom, Focus Position Feedback Potentiometer
Zoom, Focus Driving Voltage 12V DC
  
FOV(H X V) 320x256 640x512
15μm   9.15° to 1.83°
30μm 9.15° to 1.83°  
60~300 мм
М-Зум-60/F2.0-300/F2.0
2.0
Моторизованный
Запросить
2 месяца
1600г